白银区市场监督管理局关于强制检定计量器具的通告
来源: | 作者:武永鑫 | 日期:2023-04-17 17:11 | 阅读:
白银区市场监督管理局关于强制检定计量器具的通告
全区各强制检定计量器具使用单位、企业和个人:
根据《中华人民共和国计量法》第九条“县级以上人民政府计量行政部门对社会公用计量标准器具,部门和企业、事业单位使用的最高计量标准器具,以及用于贸易结算、安全防护、医疗卫生、环境监测方面的列入强制检定目录(附件1)的工作计量器具,实行强制检定。未按照规定申请检定或者检定不合格的,不得使用。”以及《中华人民共和国计量法实施细则》第十一条“使用实行强制检定的工作计量器具的单位和个人,应当向当地县(市)级人民政府计量行政部门指定的计量检定机构申请周期检定。当地不能检定的,向上一级人民政府计量行政部门指定的计量检定机构申请周期检定。”
为进一步加强我区强检计量器具检定监管工作,提高计量器具使用单位、企业和个人法律主体意识,确保强制检定计量器具合法使用,现将强制检定计量器具检定监管工作有关事宜通知如下:
一、计量器具的强制检定工作程序
1、白银区市场监督管理局受理本辖区内强制检定工作计量器具的备案工作,相关单位、企业和个人备案时,需提交《强制检定计量器具检定备案表》(附件2)和相应的单位资质证书(营业执照)。
2、白银市市场监督管理局隶属的白银市计量测试检定所,在业务范围内受理白银区强制检定计量器具检定申请。地址:白银市白银区工农路88号,电话:0943-5912098,邮箱:1209682367@qq.com。
甘肃省计量研究院:综合服务电话:0931-7753852,联合下场电话:0931-7754293,财务电话:0931-7757584,地址:甘肃省兰州市七里河区彭家坪东坪街540号。
3、申请检定的强检计量器具超出白银市计量测试检定所检定范围的,使用单位、企业和个人在白银区市场监督管理局备案,并向上一级人民政府计量行政部门指定的计量技术机构申请周期检定。
二、费用收取
按照国家有关规定,申请强制检定计量器具检定,法定计量检定机构不收取强制检定费用。
三、法律责任
凡不按规定申请检定、使用超过检定周期或检定不合格计量器具的单位、企业和个人,我局将根据《中华人民共和国计量法》、《中华人民共和国计量法实施细则》、《甘肃省计量监督管理条例》等法律法规依法进行查处。
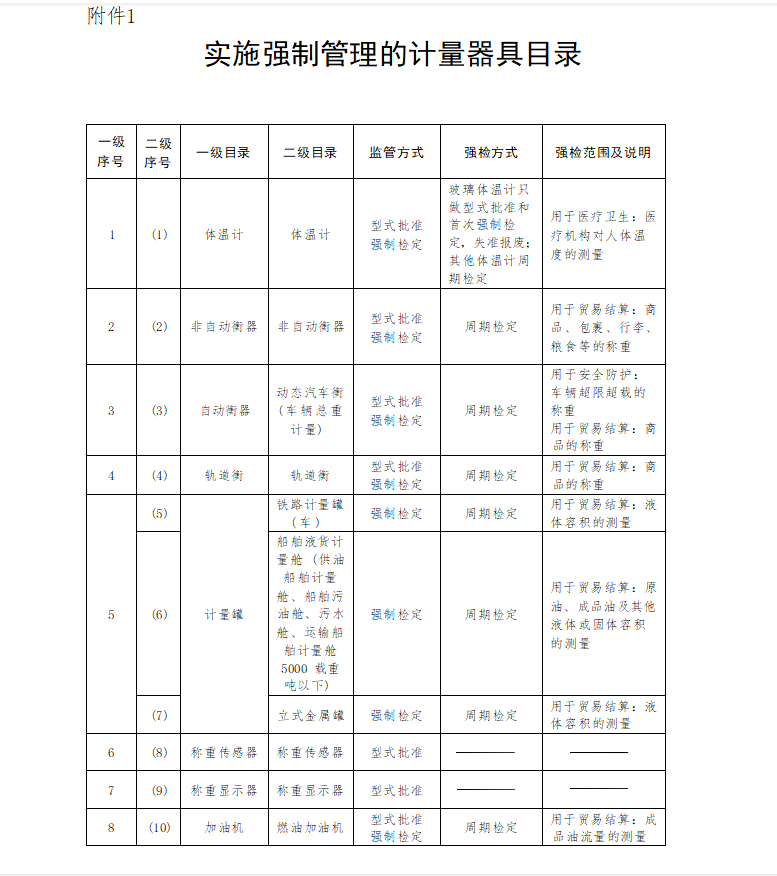
附件1、实施强制管理的计量器具目录
2、强制检定计量器具检定备案表
白银市白银区市场监督管理局
2023年4月17日





